+GF+ ELGEF Plus T-Stück 90° PE100 d200-250mm / SDR11, d mm: 250*, Art.Nr.: 753201821

CHF 707.80 incl tax
CHF 707.80 incl tax
CHF 943.70 incl tax

Artikelnummer: 753201821

+GF+ Code: 753.201.821

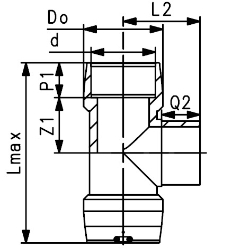
d1 mm: 310

L mm: 685

L1 mm: 123

z mm: 220

Serie: 5

Nenndruck max.: 16bar

SVGW-Nr. Wasser: 9506-K192

SVGW-Nr. Gas: 02-014-9

H mm: 127
SKU: 753201821
*
*
*