+GF+ ELGEF Plus Reduktion PE100 d63-180mm / SDR11, d mm: 180, Art.Nr.: 753901865

CHF 153.25 incl tax
CHF 153.25 incl tax
CHF 204.30 incl tax

Artikelnummer: 753901865

+GF+ Code: 753.901.865

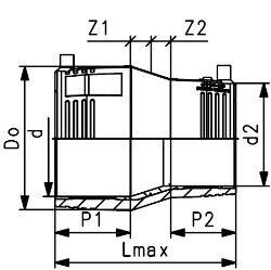
d2 mm: 125

d1 mm: 225

L mm: 254

L1 mm: 96

Serie: 5

Nenndruck max.: 16bar

SVGW-Nr. Wasser: 9506-K192

SVGW-Nr. Gas: 02-014-9

z mm: 80
SKU: 753901865
*
*
*