+GF+ ELGEF Plus Reduktion PE100 d63-180mm / SDR11, d mm: 160, Art.Nr.: 753901864

CHF 104.55 incl tax
CHF 104.55 incl tax
CHF 139.40 incl tax

Artikelnummer: 753901864

+GF+ Code: 753.901.864

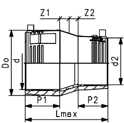
d2 mm: 110

d1 mm: 202

L mm: 226

L1 mm: 90

Serie: 5

Nenndruck max.: 16bar

SVGW-Nr. Wasser: 9506-K192

SVGW-Nr. Gas: 02-014-9

z mm: 65
SKU: 753901864
*
*
*