+GF+ ELGEF Plus PE - Sperrblasenadapter PE100 d63mm / SDR11, d mm: 63, Art.Nr.: 193280279

CHF 73.00 incl tax
CHF 73.00 incl tax
CHF 97.30 incl tax

Artikelnummer: 193280279

+GF+ Code: 193.280.279

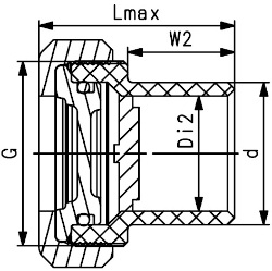
G ″: 2 3/4

d1 mm: 51

L mm: 87

z mm: 45

Serie: 5

Nenndruck max.: 16bar

SVGW-Nr. Wasser: 9506-K192

SVGW-Nr. Gas: 02-014-9

SKU: 193280279
*
*
*