+GF+ ELGEF Plus Druckanbohrventil PE100 d63-250mm / SDR11 / Mit 360° drehbarem Abgang, d mm: 75, Art.Nr.: 193155244

CHF 349.45 incl tax
CHF 349.45 incl tax
CHF 465.90 incl tax

Artikelnummer: 193155244

+GF+ Code: 193.155.244

d1 mm: 32

d2 mm: 21

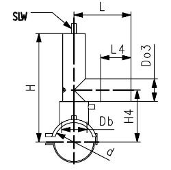
H mm: 208

H1 mm: 103

Serie: 5

Nenndruck max.: 16bar

SVGW-Nr. Wasser: 9506-K192

SVGW-Nr. Gas: 02-014-9

L1 mm: 70

z mm: 127

SKU: 193155244
*
*
*