+GF+ ELGEF Plus Druckanbohrventil PE100 d63-250mm / SDR11 / Mit 360° drehbarem Abgang, d mm: 225, Art.Nr.: 193155327

CHF 399.70 incl tax
CHF 399.70 incl tax
CHF 532.90 incl tax

Artikelnummer: 193155327

+GF+ Code: 193.155.327

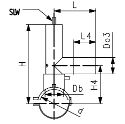
d1 mm: 63

d2 mm: 31

H mm: 353

H1 mm: 193

Serie: 5

Nenndruck max.: 16bar

SVGW-Nr. Wasser: 9506-K192

SVGW-Nr. Gas: 02-014-9

L1 mm: 100

z mm: 160

SKU: 193155327
*
*
*