+GF+ ELGEF Plus Druckanbohrventil PE100 d63-250mm / SDR11 / Mit 360° drehbarem Abgang, d mm: 200, Art.Nr.: 193155317

CHF 394.05 incl tax
CHF 394.05 incl tax
CHF 525.40 incl tax

Artikelnummer: 193155317

+GF+ Code: 193.155.317

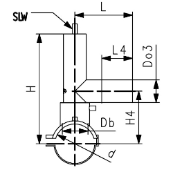
d1 mm: 63

d2 mm: 31

H mm: 341

H1 mm: 181

Serie: 5

Nenndruck max.: 16bar

SVGW-Nr. Wasser: 9506-K192

SVGW-Nr. Gas: 02-014-9

L1 mm: 100

z mm: 160

SKU: 193155317
*
*
*