+GF+ ELGEF Plus Druckanbohrventil PE100 d63-250mm / SDR11 / Mit 360° drehbarem Abgang, d mm: 110*, Art.Nr.: 193155264

CHF 358.35 incl tax
CHF 358.35 incl tax
CHF 477.80 incl tax

Artikelnummer: 193155264

+GF+ Code: 193.155.264

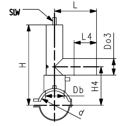
d1 mm: 32

d2 mm: 21

H mm: 226

H1 mm: 121

Serie: 5

Nenndruck max.: 16bar

SVGW-Nr. Wasser: 9506-K192

SVGW-Nr. Gas: 02-014-9

L1 mm: 70

z mm: 127

SKU: 193155264
*
*
*