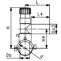
+GF+ ELGEF Plus Anbohrschelle PE100 d63-400mm / SDR11 / Mit 360° drehbarem Abgang, d mm: 250, Art.Nr.: 193131537

CHF 230.25 incl tax
CHF 230.25 incl tax
CHF 307.00 incl tax

Artikelnummer: 193131537

+GF+ Code: 193.131.537

d1 mm: 63

d2 mm: 35

H mm: 328

H1 mm: 206

Serie: 5

Nenndruck max.: 16bar

SVGW-Nr. Wasser: 9506-K192

SVGW-Nr. Gas: 02-014-9

L1 mm: 100

z mm: 160

SKU: 193131537
*
*
*