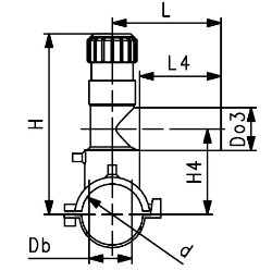
+GF+ ELGEF Plus Anbohrschelle PE100 d63-400mm / SDR11 / Mit 360° drehbarem Abgang, d mm: 250, Art.Nr.: 193131534

CHF 223.35 incl tax
CHF 223.35 incl tax
CHF 297.80 incl tax

Artikelnummer: 193131534

+GF+ Code: 193.131.534

d1 mm: 32

d2 mm: 32

H mm: 279

H1 mm: 201

Serie: 5

Nenndruck max.: 16bar

SVGW-Nr. Wasser: 9506-K192

SVGW-Nr. Gas: 02-014-9

L1 mm: 76

z mm: 130

SKU: 193131534
*
*
*