Cookies helfen uns unsere Dienstleistungen anzubieten. Wenn Sie unsere Dienstleistungen nutzen, sind Sie damit einverstanden.
- Home /
- +GF+ /
- +GF+ Fittings /
- +GF+ Fittings - Schellen /
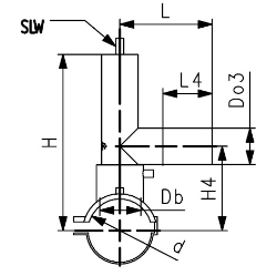
- +GF+ ELGEF Plus Druckanbohrventil PE100 d63-250mm / SDR11 / Mit 360° drehbarem Abgang /
- +GF+ ELGEF Plus Druckanbohrventil PE100 d63-250mm / SDR11 / Mit 360° drehbarem Abgang, d mm: 160*, Art.Nr.: 193155297